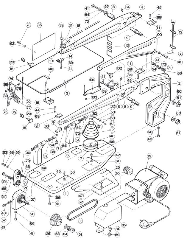
Multicut 1 Scroll Saws
|
|
Notes:
There are two versions of the Multicut 1 Scroll Saw - a FIXED SPEED and a VARIABLE SPEED. Note that the motors fitted to variable speed models have an integral variable speed controller which, although available as a spare for variable speed motors, cannot be fitted to single speed motors. Single speed machines can only be converted to variable speed by the replacement of the variable speed motor assembly.
-
The dust management assembly - parts 511, 512, 513, 514 and 515 - is now superseded on newly purchased machines by a flexible joint hose. This is retrofittable to most earlier model machines provided the top arm pivot bolt #509 has a centrally drilled and tapped hole. Very early model machines can probably still be fitted with a joint hose assembly with the replacement of non drilled/tapped part #9 pivot bolts required to mount the bracket for the joint hose.
- The dust trumpet is now fitted with a protective steel bracket. This is retrofittable to most earlier model machines.
- Part 12N, the tensioning arm at the rear of the machine, now supplied standard on newly purchased machines, is an upgraded cam operated arm which effects quick blade tension release for the M1 machines. It is retrofittable.
- The eccentric balance function #220 is effected in older machines with an aluminium 'dogleg' counter balance (now unavailable). The newer cast iron flywheel balance with dual stroke attachment points is a major improvement in smooth running and is retrofittable.
- The hold down arm assembly is indicated on the parts diagram but is an accessory.
|
|
======================================================================================================================================
Multicut 2 Scroll Saws - Multicut 2S Fixed, Multicut 2S Variable Speed, Multicut 2SE Variable with Cast Iron Table
|
|
Notes:
There are three versions of the Multicut 2S Scroll Saw - a FIXED SPEED M2S and a VARIABLE SPEED M2S and a VARIABLE SPEED M2SE. Note that the motors fitted to variable speed models have an integral variable speed controller which, although available as a spare for variable speed motors, cannot be fitted to single speed motors. Single speed machines can only be converted to variable speed by the replacement of the variable speed motor assembly.
- The dust management assembly - parts 511, 512, 513, 514 and 515 - is now superseded on newly purchased machines by a flexible joint hose. This is retrofittable to most earlier model machines provided the top arm pivot bolt #509 has a centrally drilled and tapped hole. Very early model machines can probably still be fitted with a joint hose assembly with the replacement of non drilled/tapped part #9 pivot bolts required to mount the bracket for the joint hose.
- The dust trumpet is now fitted with a protective steel bracket. This is retrofittable to most earlier model machines.
- The hold down arm assembly is indicated on the parts diagram but is an accessory.
|
|
================================================================================================================================
Multicut Quick
|
|
Notes:
The parts diagrams below are a little out of date.
-
The dust management assembly - parts 511, 512, 513, 514 and 515 - is now superseded on newly purchased machines by a flexible joint hose. This is retrofittable to most earlier model machines provided the top arm pivot bolt #509 has a centrally drilled and tapped hole. Very early model machines can probably still be fitted with a joint hose assembly with the replacement of non drilled/tapped part #9 pivot bolts required to mount the bracket for the joint hose.
- The dust trumpet is now fitted with a protective steel bracket. This is retrofittable to most earlier model machines.
- The hold down arm assembly is indicated on the parts diagram but is an accessory.
============================================================================================================================
Polycut 3
The Polycut is the most robust of the Hegner scroll saw range suited to users who ned a machines with a continuous duty cycle.
The Polycut is imported to order and hasa more powerful motor than the standard machines with a speed control via opposing pulleys.
|
|
|
|
============================================================================================================
Other Hegner Machines
ZFG Finger Jointer - Note: Machine discontinued in 2016
|
|
- Spare router cutters HERE

===================================================================================================================
Mark 4 - Note: Machine discontinued in 2016
|
|
The Mark 4 combination machine has been discontinued. Some parts remain available.
Please email for assistance.
- Spare router cutters HERE

Mark 4
The Mark 4 combination machine has been discontinued. Some parts remain available.
Please email for assistance.


=============================================================================================================================
TBS Belt Sander
![]() |
=================================================================================================================
TWS Drum Sander
![]() |
===========================================================================================
WSM DISC SANDER - Note: Machine discontinued in 2017
==========================================================================================================
HSM 300 Disc Sander
|
|
=========================================================================================================================
HSM 300 S DISC SANDER
![]() |
TEXT here

============================================================================================================










